銅線用 Y形裸圧着端子 (先開形) 電線サイズ0.3~5.5mm2
【ニチフ】
【ニチフ】
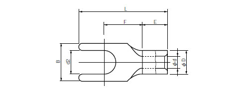
銅線用 裸圧着端子 (Y形)先開形。
■材料 端子:無酸素銅(電気すずめっき)
■定格電流:絶縁電線の許容電流(電気設備技術基準公示第29条)に基づいています。
■取得規格
○ UL・CSA登録品
・UL ファイルNo.E44245にて承認。
・CSA C22.2に適合
・CSA ファイルNo.LR-28418にて承認。
(注)UL・CSA登録品としてご使用の際は、UL/CSA適用工具をご使用ください。
■販売単位は、1箱(100ヶ入り)
※1.25Y-3Sの接触部形状は丸形となります。

| 型番 | 各部の寸法mm | 電線抱合範囲 | ||||||||
|---|---|---|---|---|---|---|---|---|---|---|
| d2 | B | L | F | E | ΦD | φd | 単線 mm | より線 mm2 | AWG | |
| 0.3Y-3 | 3.2 | 5.2 | 12.0 | 4.9 | 4.5 | 2.20 | 1.0 | - | 0.2 〜0.5注1 | 24・20 注2 |
| 1.25Y-3K | 3.2 | 5.6 | 15.0 | 5.8 | 4.5 | 3.40 | 1.7 | 0.57 〜1.44 | 0.25 〜1.65 | 22・16 |
| 1.25Y-3S | 3.2 | 5.7 | 11.9 | 4.8 | 4.5 | 3.40 | 1.7 | 0.57 〜1.44 | 0.25 〜1.65 | 22・16 |
| 1.25Y-3 | 3.2 | 5.8 | 15.0 | 5.8 | 4.5 | 3.40 | 1.7 | 0.57 〜1.44 | 0.25 〜1.65 | 22・16 |
| 1.25Y-3N | 3.2 | 5.8 | 16.0 | 6.6 | 4.5 | 3.40 | 1.7 | 0.57 〜1.44 | 0.25 〜1.65 | 22・16 |
| 1.25Y-3.5K | 3.7 | 5.6 | 15.0 | 5.8 | 4.5 | 3.40 | 1.7 | 0.57 〜1.44 | 0.25 〜1.65 | 22・16 |
| 1.25Y-3.5 | 3.7 | 5.8 | 15.0 | 5.8 | 4.5 | 3.40 | 1.7 | 0.57 〜1.44 | 0.25 〜1.65 | 22・16 |
| 1.25Y-3L | 3.7 | 6.2 | 16.0 | 6.8 | 4.5 | 3.40 | 1.7 | 0.57 〜1.44 | 0.25 〜1.65 | 22・16 |
| 1.25Y-4N | 4.3 | 6.4 | 16.4 | 6.6 | 4.5 | 3.40 | 1.7 | 0.57 〜1.44 | 0.25 〜1.65 | 22・16 |
| 1.25Y-4S | 4.3 | 7 | 16.4 | 7.6 | 4.5 | 3.40 | 1.7 | 0.57 〜1.44 | 0.25 〜1.65 | 22・16 |
| 1.25Y-4M | 4.3 | 8.1 | 16.4 | 7.5 | 4.5 | 3.40 | 1.7 | 0.57 〜1.44 | 0.25 〜1.65 | 22・16 |
| 1.25Y-5 | 5.3 | 9.6 | 17.5 | 8.3 | 4.5 | 3.40 | 1.7 | 0.57 〜1.44 | 0.25 〜1.65 | 22・16 |
| 2Y-3 | 3.2 | 5.9 | 15.8 | 6.6 | 4.5 | 4.2 | 2.3 | 1.14 〜1.82 | 1.04 〜2.63 | 16・14 |
| 2Y-3.5S | 3.7 | 5.8 | 15.8 | 6.6 | 4.5 | 4.2 | 2.3 | 1.14 〜1.82 | 1.04 〜2.63 | 16・14 |
| 2Y-3.5 | 3.7 | 6.4 | 15.8 | 6.6 | 4.5 | 4.2 | 2.3 | 1.14 〜1.82 | 1.04 〜2.63 | 16・14 |
| 2Y-4N | 4.3 | 6.4 | 16.0 | 6.6 | 4.5 | 4.2 | 2.3 | 1.14 〜1.82 | 1.04 〜2.63 | 16・14 |
| 2Y-4S | 4.3 | 7.0 | 16.0 | 7.0 | 4.5 | 4.2 | 2.3 | 1.14 〜1.82 | 1.04 〜2.63 | 16・14 |
| 2Y-4 | 4.3 | 8.0 | 16.0 | 7.1 | 4.5 | 4.2 | 2.3 | 1.14 〜1.82 | 1.04 〜2.63 | 16・14 |
| 2Y-5 | 5.3 | 8.0 | 16.0 | 7.1 | 4.5 | 4.2 | 2.3 | 1.14 〜1.82 | 1.04 〜2.63 | 16・14 |
| 3.5Y-4 | 4.3 | 8.0 | 18.0 | 7.2 | 6.0 | 5.0 | 3.0 | 1.82 〜2.4 | 2.63 〜4.6 | 12 |
| 3.5Y-5 | 5.3 | 9.5 | 20.0 | 8.3 | 6.0 | 5.0 | 3.0 | 1.82 〜2.4 | 2.63 〜4.6 | 12 |
| 3.5Y-6 | 6.4 | 12.0 | 22.0 | 9.8 | 6.0 | 5.0 | 3.0 | 1.82 〜2.4 | 2.63 〜4.6 | 12 |
| 5.5Y-5 | 5.2 | 9.0 | 18.2 | 7.2 | 6.5 | 5.6 | 3.4 | 1.82 〜2.89 | 2.63 〜6.64 | 12・10 |
※販売単位:100ヶ/箱
注1:0.3~0.5(UL・CSA指定)
注2:22・20(UL・CSA指定)




